Princípio de funcionamento
A chave de proximidade NPN PNP opera com base no princípio da indução eletromagnética. Eles consistem em um núcleo de ferro com uma bobina e dois eletrodos montados no núcleo. Quando um objeto ou alvo metálico se aproxima do sensor, ele altera o campo magnético, causando uma mudança na corrente entre os eletrodos, que por sua vez aciona um sinal de saída.
Sensores de proximidade indutivos são sensíveis a objetos metálicos, mas são ineficazes na detecção de objetos não{0}metálicos.
Durante a instalação e utilização, evite expor o sensor a campos magnéticos fortes ou altas temperaturas para evitar degradação do seu desempenho.
Ao selecionar um sensor, escolha o modelo e as especificações apropriados com base no cenário e nos requisitos específicos da aplicação.
Características dos produtos do interruptor de proximidade NPN PNP
- Ampla gama de produtos, adequados para diversas aplicações.
- Resposta rápida, detecção de alta-precisão.
- Aparência personalizável, design integrado normalmente aberto e normalmente fechado.
- À prova d’água e{0}}resistente a óleo, alta sensibilidade e ampla faixa de aplicação.
- Robusto, confiável, estável e{0}}duradouro.
Método de fiação do interruptor de proximidade NPN PNP
Os interruptores de proximidade são um tipo de sensor. Eles têm configurações de fiação variadas. A mais comum é a conexão de três{2}}fios. A conexão de dois-fios é relativamente simples, e a conexão de quatro-fios também é baseada na conexão de três{6}}fios. Os seguintes tipos estão disponíveis:
1. Sensor de dois-fios:
NÃO (normalmente aberto)
NC (normalmente fechado)
Observação: as conexões de dois-fios são divididas em tipos CA (corrente alternada) e CC (corrente contínua).
2. Sensor de três{1}}fios:
NPN - NÃO (normalmente aberto)
NPN - NC (normalmente fechado)
PNP - NÃO (normalmente aberto)
PNP - NC (normalmente fechado)
3. Sensor de quatro{1}}fios:
NPN (NA + NC) Normalmente Aberto + Normalmente Fechado
PNP (NA + NC) Normalmente Aberto + Normalmente Fechado
- Processo operacional tipo NPN
As chaves de proximidade NPN são usadas com um ponto comum positivo (COM). A chave interna no sensor conecta a linha de saída de sinal OUT ao terminal "-" da fonte de alimentação GND (0V), equivalente a uma saída de sinal OUT de baixo-nível.
NPN (NO) Normalmente Aberto: Quando nenhum sinal é acionado, a linha de saída do sinal OUT é desconectada do terminal "-" da fonte de alimentação GND (0V), equivalente a uma saída de sinal aberta. Quando um sinal é acionado, a linha de saída do sinal OUT é conectada ao terminal "-" da fonte de alimentação GND (0V), emitindo um nível-baixo de 0V.
NPN (NC) Normalmente Fechado: Quando nenhum sinal é acionado, a linha de saída do sinal OUT emite um-nível baixo de 0V, equivalente a GND. Quando um sinal é acionado, a linha de saída do sinal OUT é desconectada do terminal "-" da fonte de alimentação GND (0V), equivalente a uma saída de sinal aberta.
- Processo Operacional Tipo PNP
A chave de proximidade PNP possui um ponto negativo comum (COM). A chave interna no sensor conecta a linha de sinal OUT ao terminal + da fonte de alimentação VCC (+V), fazendo com que a saída do sinal OUT produza um nível alto.
PNP (NO) Normalmente Aberto: Quando o interruptor de proximidade não é acionado por um sinal, a linha de sinal OUT é desconectada do terminal + da fonte de alimentação VCC (+V), efetivamente fazendo com que a saída do sinal OUT fique vazia. Quando um sinal é acionado, a tensão de saída é a mesma do terminal + da fonte de alimentação VCC (+V), o que significa que a linha de sinal OUT está conectada ao terminal + da fonte de alimentação VCC (+V), emitindo um nível alto.
PNP (NC) Normalmente Fechado: Quando a chave de proximidade não é acionada por um sinal, a tensão de saída é a mesma do terminal + da fonte de alimentação VCC (+V), o que significa que a linha de sinal OUT está conectada ao terminal + da fonte de alimentação VCC (+V), emitindo um nível alto. Quando um sinal é acionado, a linha de sinal OUT é desconectada do terminal + da fonte de alimentação VCC (+V), fazendo com que a saída do sinal OUT fique vazia.
Tag: interruptor de proximidade pnp, fabricantes, fornecedores, fábrica de interruptores de proximidade pnp na China, Detector de metais usando sensor de proximidade, Sensor PNP NC, Sensor do sistema de energia de proximidade, Sensor para equipamentos industriais, Sensor indutivo blindado, Sensor quadrado de proximidade
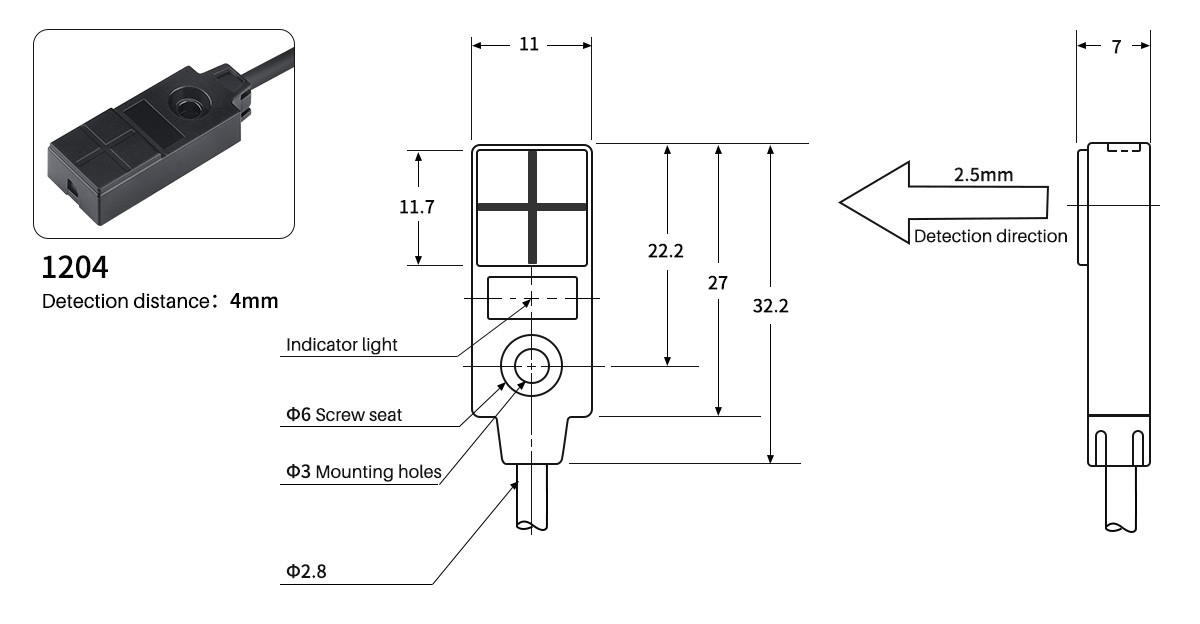
Especificações do sensor indutivo tipo quadrado
| Modelo | Distância de detecção | Definir distância | Diferencial de movimento | NPN/PNP | Modo de operação | Substância de teste padrão | Tensão de alimentação | Corrente de consumo | Carregar | Tensão residual | Frequência de comutação | Circuito de proteção | Temperatura ambiente | Umidade ambiente | Grau de proteção |
| GPL-0802-NO-2m | 2,5 mm | 0-1,8 mm | Dentro de 10% da distância de detecção | NPN | normalmente aberto | Aço macio (ST37) | abaixo de 10-30 VCC | abaixo de 8mA | abaixo de 100mA | abaixo de 1V | 1,2 KHz | Proteção contra inversão de polaridade de saída, proteção contra inversão de polaridade da fonte de alimentação, absorção de surtos, proteção contra curto-circuito | -25-70 graus | 35% ~ 95% UR | IP67 |
| GPL-0802-NC-2m | fechamento normal | ||||||||||||||
| GPL-0902-NO-2m | normalmente aberto | ||||||||||||||
| GPL-0902-NC-2m | fechamento normal | ||||||||||||||
| GPL-1204-NO-2m | 4mm | 0-3,2 mm | NPN | normalmente aberto | 1KHz | ||||||||||
| GPL-1204-NC-2m | fechamento normal | ||||||||||||||
| GPL-1204-PO-2m | PNP | normalmente aberto | |||||||||||||
| GPL-1204-PC-2m | fechamento normal | ||||||||||||||
| GPL-1705-NO-2m | 5mm | 0-4 mm | Dentro de 10% da distância de detecção | NPN | normalmente aberto | Aço macio (ST37) | abaixo de 10-30 VCC | abaixo de 8mA | abaixo de 100mA | abaixo de 1V | 1KHz | Proteção contra inversão de polaridade de saída, proteção contra inversão de polaridade da fonte de alimentação, absorção de surtos, proteção contra curto-circuito | -25-70 graus | 35% ~ 95% UR | IP67 |
| GPL-1705-NC-2m | fechamento normal | ||||||||||||||
| GPL-1705-PO-2m | PNP | normalmente aberto | |||||||||||||
| GPL-1705-PC-2m | fechamento normal | ||||||||||||||
| GPL-1805-NO-2m | NPN | normalmente aberto | |||||||||||||
| GPL-1805-NC-2m | fechamento normal | ||||||||||||||
| GPL-1805-PO-2m | PNP | normalmente aberto | |||||||||||||
| GPL-1805-PC-2m | fechamento normal | ||||||||||||||
| GPL-2510-NO-2m | 10mm | 0-8mm | Dentro de 10% da distância de detecção | NPN | normalmente aberto | Aço macio (ST37) | abaixo de 10-30 VCC | abaixo de 8mA | abaixo de 100mA | abaixo de 1V | 800Hz | Proteção contra inversão de polaridade de saída, proteção contra inversão de polaridade da fonte de alimentação, absorção de surtos, proteção contra curto-circuito | -25-70 graus | 35% ~ 95% UR | IP67 |
| GPL-2510-NC-2m | fechamento normal | ||||||||||||||
| GPL-2510-PO-2m | PNP | normalmente aberto | |||||||||||||
| GPL-2510-PC-2m | fechamento normal | ||||||||||||||
| GPL-3010-NO-2m | NPN | normalmente aberto | |||||||||||||
| GPL-3010-NC-2m | fechamento normal | ||||||||||||||
| GPL-3010-PO-2m | PNP | normalmente aberto | |||||||||||||
| GPL-3010-PC-2m | fechamento normal | ||||||||||||||
| GPL-4020-NO-2m | 20mm | 0-16 mm | Dentro de 10% da distância de detecção | NPN | normalmente aberto | Aço macio (ST37) | abaixo de 10-30 VCC | abaixo de 8mA | abaixo de 100mA | abaixo de 1V | 400Hz | Proteção contra inversão de polaridade de saída, proteção contra inversão de polaridade da fonte de alimentação, absorção de surtos, proteção contra curto-circuito | -25-70 graus | 35% ~ 95% UR | IP67 |
| GPL-4020-NC-2m | fechamento normal | ||||||||||||||
| GPL-4020-PO-2m | PNP | normalmente aberto | |||||||||||||
| GPL-4020-PC-2m | fechamento normal |










