O sensor fotoelétrico de lacuna de etiqueta Garantta é um sensor que utiliza o efeito fotoelétrico para converter sinais de luz em sinais elétricos. É comumente usado para detectar a presença, posição, cor e outras informações de objetos. Seu princípio de funcionamento envolve a emissão de um feixe de luz e a recepção do feixe refletido ou bloqueado para determinar a presença ou estado do objeto alvo. Ele detecta de forma confiável etiquetas de diversos materiais e características, garantindo alta produtividade da máquina e evitando paradas. Nenhum ajuste é necessário ao trocar os rolos de etiquetas. Isso reduz o tempo de configuração e aumenta a produção do equipamento. Também pode ser facilmente integrado em sistemas de controle de máquinas.
Recursos de produtos
- Universal, capaz de detectar todos os tipos de materiais de etiquetas.
- Os usuários não apenas economizam espaço, mas também reduzem a carga de trabalho e o custo de instalação e depuração.
- Sensor de lacuna de etiqueta Garantta adequado para vários tipos de etiquetas
- Fio PVP de alta-qualidade, bom desempenho do fio, couro fosco-resistente ao desgaste, resistência à flexão, à prova d'água e resistente a óleo, excelente qualidade, adequado para vários ambientes
- Detecção precisa de marcas de impressão em etiquetas adesivas opacas e etiquetas transparentes/semi{0}}transparentes
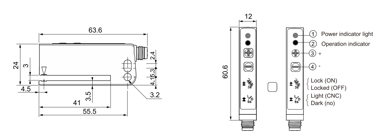
- Um interruptor pode mudar a sensibilidade ajustável, luz acesa/escuro ligado
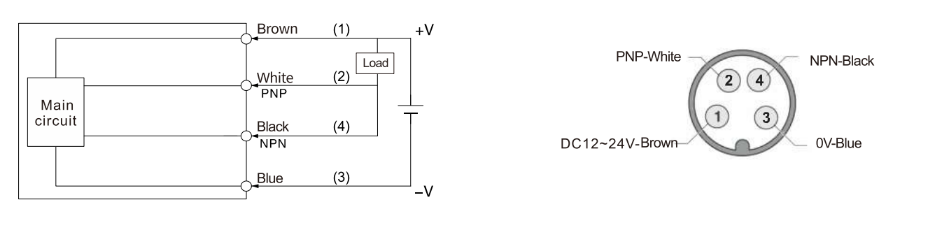
- Equipado com linhas de saída duplas, NPN (preto) e PNP (branco)
Aplicações do sensor de lacuna de etiqueta
O sensor de lacuna de etiqueta é usado principalmente em máquinas de embalagem/impressão para identificar etiquetas. A linha de etiquetas detectáveis inclui etiquetas de papel, etiquetas transparentes, etiquetas PU, etiquetas PVC e etiquetas prateadas asiáticas




Perguntas frequentes
Tag: sensor de lacuna de etiqueta, fabricantes, fornecedores, fábrica de sensores de lacuna de etiqueta na China, Sensor de cores para passeios de parques de diversões, Sensor colorido para inspeção do painel solar, sensor de cores para impressão a jato de tinta, Sensor colorido para exposições de museus, Sensor colorido para torneios de vôlei, Sensor colorido para festas de aniversário
sensor de lacuna de etiqueta
| Modelo | GCS-03NP{2}}C tipo feixe passante |
| Substância de teste padrão | objetos não{0}}transparentes |
| Largura da ranhura | 3mm |
| Distância de detecção | 3mm |
| Fonte de luz | LED infravermelho |
| Tensão de alimentação | 12-24 VCC |
| Consumo atual | 40mAmáx. |
| Frequência de resposta | 10kHz |
| Saída de controle | NPN+PNP |
| Iluminação ambiente | Luz solar: 5.000lxmáx.; lâmpada incandescente |
| Temperatura ambiente | Durante a operação: -20~+70 graus, durante o armazenamento: -25~+75 graus (sem congelamento ou condensação) |
| Umidade ambiente | Durante a operação: 35 ~ 85% UR, durante o armazenamento: 35 ~ 85% UR (sem condensação) |
| Resistência de isolamento | 20M2 MÍN. (DC500V) |
| Tensão suportável | AC500V50/60Hz 1min |
| Durabilidade de vibração | 10~500Hz amplitude dupla 1,5mm em cada direção de X, Y e Z por 2h |
| Impacto\\durabilidade | 500m/s² 10 vezes em cada direção de X, Y e Z |
| Estrutura protetora | Liga de alumínio |









